Φ12mm 无刷空心杯电机(MC1226)
产品型号:MC1226
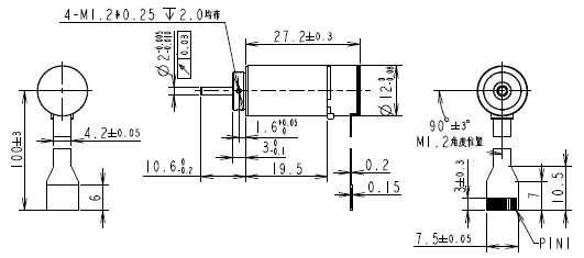
直径(mm):12
长度(mm):26
额定电压(V):12
额定转速(rpm):20970
堵转转矩(mNm):8.9
堵转电流(A) :2.38
转矩常数(mNm/A):3.87
速度常数(rpm/V) :2383
输出轴直径(mm):0.8
电机参数
| 电机数据(额定值) | |
|---|---|
| 额定电压(V) | 12 |
| 空载转速(rpm) | 28600 |
| 空载电流(A) | 78 |
| 额定转速 (rpm) | 20970 |
| 额定转矩(mNm) | 2.38 |
| 额定电流(A) | 0.69 |
| 堵转转矩(mNm) | 8.9 |
| 堵转电流(A) | 2.38 |
| 最大效率(%) | 67 |
| 电机常数(额定值) | |
|---|---|
| 相间电阻(Ω) | 5.3 |
| 相间电感(mH) | 0.042 |
| 转矩常数(mNm/A) | 3.87 |
| 速度常数(rpm/V) | 2383 |
| 转速/转矩斜度(rpm/mNm) | 3213 |
| 机械时间常数(ms) | 4.5 |
| 转子惯量(gcm2) | 0.138 |
| 热参数 | |
|---|---|
| 机壳-环境热阻(K/W) | 38.6 |
| 绕组-机壳热阻(K/W) | 7.5 |
| 绕组热时间常数(s) | 3.2 |
| 电机热时间常数(s) | 210 |
| 环境温度(℃) | -20~+100 |
| 最高绕组温度(℃) | +125 |
| 机械参数(滚珠轴承) | |
|---|---|
| 最大允许转速(rpm) | 40 000 |
| 最大轴向间隙(mm) | < 0.15 N 0 |
| > 0.15 N 0.06(max) | |
| 径向间隙 | preloaded |
| 最大轴向动态载荷(N) | 2 |
| 最大允许安静态装力(N) | 10 |
| 最大径向载荷,距离法兰处2mm处(N) | 5 |
| 端子型号 | |
|---|---|
| Molex 52745-1297 |
设计图纸














查看详情
Φ12mm 无刷空心杯电机(MC1226)规格书