伟德国际victor1946直流减速电机(齿轮箱)
伟德国际victor1946生产的微型直流减速电机齿轮箱具有体积小、重量轻、力矩大、低噪音、不易损坏的特点。
伟德国际victor1946研发生产微型直流减速电机齿轮箱:
1.拥有塑料、五金、金属MIM的齿轮设计生产能力;
2.齿轮模数低可以做到M=0.05模数,噪音小;
3.外观及结构设计上拥有自主产权,提升了力矩大,体积小;
4.可加装编码器,可以配换直流有刷电机,空心杯电机、无刷电机,步进电机等。
伟德国际victor1946微型直流减速电机用齿轮箱开发直径及应用领域:
伟德国际victor1946微型直流减速电机行星齿轮箱,用于智能厨卫、智能驱动、汽车智能驱动、智能化家居驱动、工业智能驱动、电子产品智能驱动等多个行业,可根据客户的不同需求定制。
微型直流减速电机各参数规格,可按需求定制。
微型直流减速电机齿行星轮箱设计:

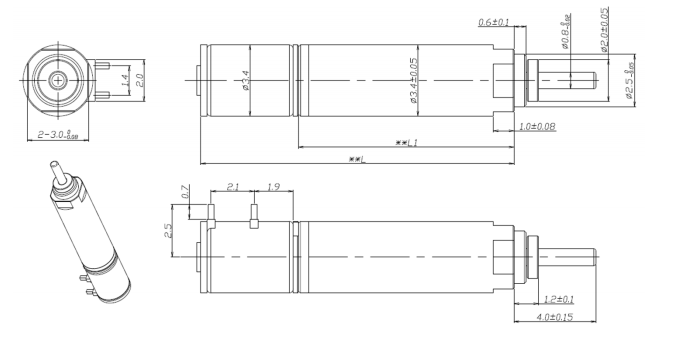
微型直流减速电机齿轮箱外形尺寸:

以上规格数据仅供参考,可按需求定制。
伟德国际victor1946微型直流减速电机,金属微型直流减速电机行星齿轮箱设计研发特点:
伟德国际victor1946机电专注于直流减速电机齿轮箱设计研发生产,先后与橡塑模具工程研究中心共建“微细精密塑成型与模具技术基地”;与华中科技大学成立联合实验室。与中科院开发了智能机器人项目。
伟德国际victor1946生产直流减速电机齿轮箱,可以按需定制,欢迎广大客户来需定制,我们的特点是:
1.有伟德国际victor1946自主知识产权的齿轮箱综合设计平台。
伟德国际victor1946设计平台的特性是具有方案设计、结构设计、齿形设计、模拟分析等特点可以提提齿形和模具加工精度。
2. 有精密微小的制作能力。

3.产品通过认证符合欧洲环保要求。
通过ISO9001:2015(CN11/30731)、ISO14001(U006616E0153R3M)、 TS16949(CN11/30730.01) 认证。


















